Obmedzená prevádzka 21.–22. 5.
Vážení zákazníci, z prevádzkových dôvodov bude náš e-shop v dňoch 21. a 22. mája nedostupný. Od 23. mája sme opäť plne k dispozícii. Ďakujeme za pochopenie.
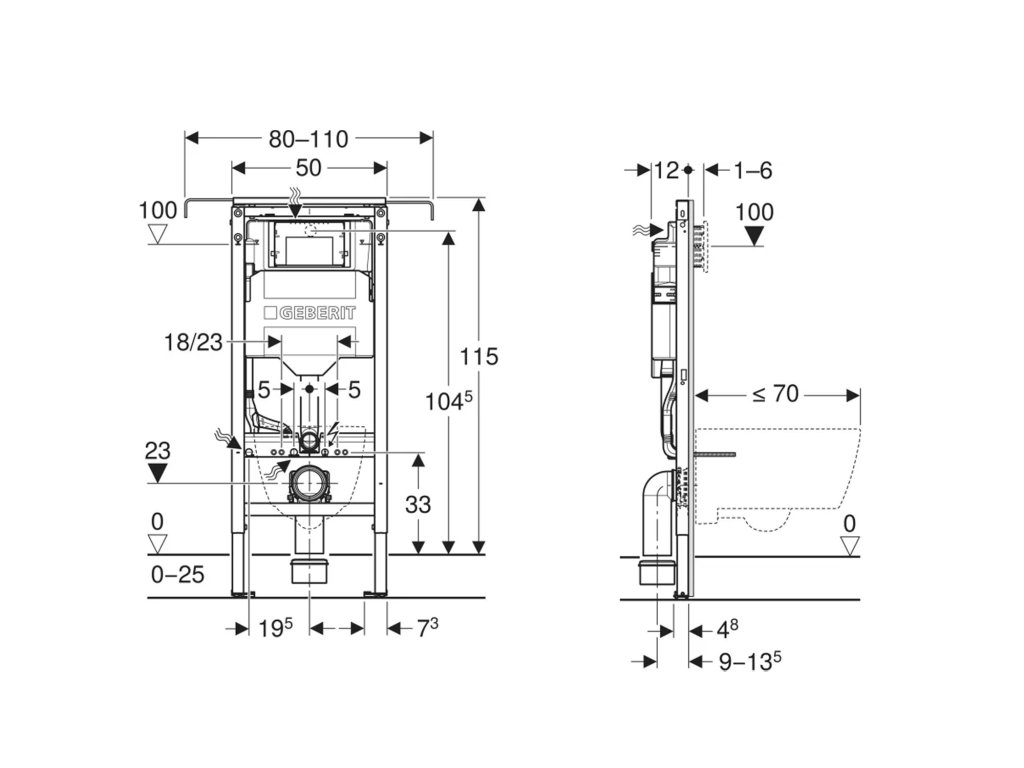
GEBERIT DUOFIX podomietková nádržka Sigma 12cm, pre napojenie do bočnej steny 111.355.00.6
Kód: 110974Súvisiaci tovar
Podrobný popis
Nástenný splachovací systém Geberit DUOFIX 111.355.00.6 na inštaláciu do bytových jadier s upevnením medzi steny. Geberit Duofix je viac ako len univerzálny a rýchlo použiteľný montážny prvok pre všetky riešenia suchých procesov. Významne prispieva aj k splneniu najvyšších požiadaviek na akustickú a protipožiarnu ochranu. Montáž prvku je mimoriadne rýchla, pričom sa používajú len štyri upevňovacie body. Garantovaná nosnosť všetkých montážnych prvkov Geberit je 400 kg.
Technické parametre Duofix
- Na predné ovládanie
- Nastaviteľné zapustenie
- Nádržka s izoláciou proti roseniu
- Prívod vody zozadu / zhora uprostred
- Rozmery: 110 × 115 × 12 cm
Účel použitia:
- Na inštaláciu v miestnosti s čiastočnou alebo úplnou výškou inštalácie pred pevnú alebo suchú technologickú stenu
- Na skrytú inštaláciu
- Pre hrúbku podlahy 0 - 20 cm
- Na inštaláciu s upevnením medzi dve steny
- Na inštaláciu v bytových jadrách
- Pre pripojenie Geberit AquaClean
- Nevhodné na betónovanie
Vlastnosti: Vhodný na montáž do kanalizácie, na použitie v domácnosti, na použitie v domácnosti, na použitie v domácnosti:
- Samonosný prvok
- Rám s C-profilom 4/4 cm
- Povrch rámu práškovo lakovaný, Geberit modrý
- Podpery 5 cm výsuvné
- Otočné pätky, na montáž do profilov UW50 a UW75
- Bočné výsuvné dištančné podložky
- Splachovacia nádržka, izolovaná proti oroseniu
- Geberit Sigma nástenná splachovacia nádržka 12 cm (UP320) s ovládaním spredu
- Nastaviteľné množstvo splachovania
- Možnosť nastavenia okamžitého spláchnutia
- Splachovacia nádržka pre inštaláciu a servis bez použitia náradia
- Kryt na hrubú montáž, na montáž bez použitia náradia a skrátenie bez použitia náradia
- Kryt na hrubú montáž chráni servisný otvor pred vlhkosťou a nečistotami
- Zvukotesné tlačidlové tyče, rýchlo nastaviteľné bez použitia náradia
- K dispozícii je univerzálne pripojenie MeplaFix, montáž a obsluha bez použitia náradia
- Pripojovacia hadica k rohovému ventilu naskrutkovateľná bez použitia náradia
- Upevnenie odpadového kolena bez použitia náradia, zvukotesné, hĺbkovo nastaviteľné v 8 polohách, rozsah nastavenia 45 mm
- Podpery s brzdnými prvkami, na vyrovnanie prvku bez použitia náradia
- Pozinkované podpery, plynulé nastavenie 0 - 25 cm
- Možno použiť pre závesné toalety s malou styčnou plochou pomocou príslušenstva
- Prívod vody zozadu / zhora uprostred
Technické informácie:
- Rozsah tlaku vody 0,01 - 1,0 MPa
- Maximálna prevádzková teplota vody 25 °C
- Malé splachovacie množstvo - rozsah nastavenia 2 - 4 l
- Veľké splachovacie množstvo - rozsah nastavenia 4 / 4,5 / 6 / 7,5 l
- Množstvo splachovania - výrobné nastavenie 6 a 3 l
- Množstvo splachovania pri spustení/ zastavení 4 / 4,5 / 6 / 7,5 l
Rozsah dodávky:
- Prívod vody R 1/2" s integrovaným rohovým ventilom a ručným kolieskom
- Kryt potrubia pre prívod vody pre Geberit AquaClean
- Splachovacie koleno
- Ochranná zátka
- Kryt na hrubú montáž pre servisný otvor
- 2 závitové tyče M12 na upevnenie keramiky
- Súprava na pripojenie WC, priemer 90 mm
- Koleno na odpad pre WC, PE-HD, priemer 90 mm
- Priechodka, PE-HD, d 90/110 mm
- Upevňovací materiál
Dodatočné parametre
| Kategória: | Nástenné vodovodné systémy a splachovače |
|---|---|
| Záruka: | 24 |
| Hmotnosť: | 17.6 kg |
| EAN: | 4064746029738 |
| Balenie: | 1 kus |
| Záruka: | 2 roky |
| Výrobca: | Geberit |
| EAN: | 4064746029738 |
Diskusia
Buďte prvý, kto napíše príspevok k tejto položke.
